全国统一服务热线:15821596221
一. 背景
在能源管理精细化、智能化的发展趋势下,传统单回路电能表已难以满足复杂用电场景的计量与管控需求,多模块多回路电能表凭借其独特的结构设计与功能优势,逐渐成为工业、商业、建筑等领域能源监测的核心设备。

多模块多回路电能表通过 “模块化设计 + 多回路并行计量" 的架构,打破了传统电能表 “一表一回路" 的局限,在计量精度、管理效率、运维成本等方面展现出显著优势,具体可概括为以下四点:高精度、多参数并行采集,数据更全面、分层分路管控,能源效率更易优化、模块化灵活配置,适配多样化场景。
基于以上特点可以满足工业制造场景:满足 “多设备、多工序" 的能耗监测需求、数据中心场景,支撑 “高可靠、高精密" 的供电保障需求、商业建筑场景(适配 “多租户、多业态" 的计量需求)

二. ADW600多回路计量模块
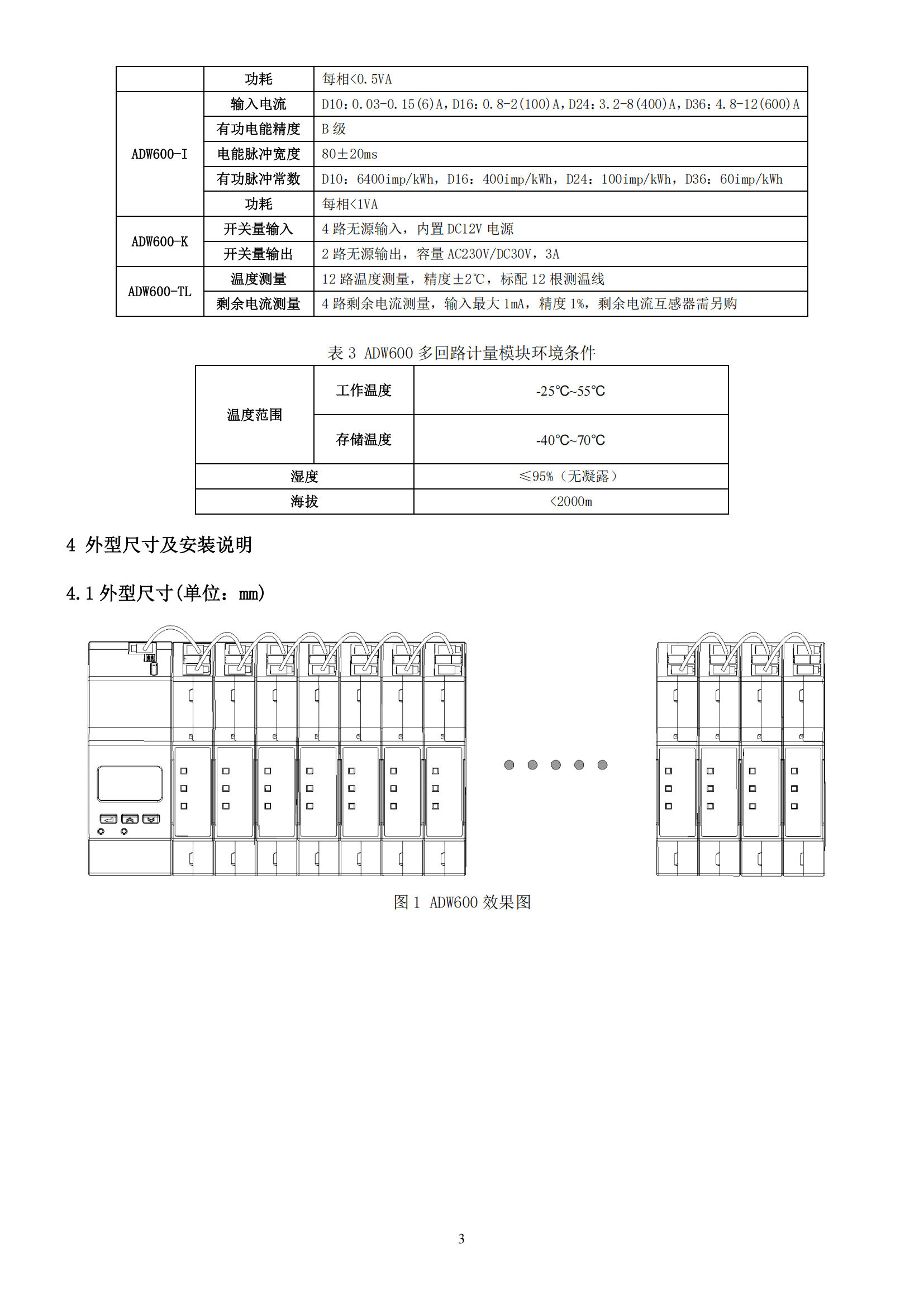
安科瑞ADW600系列仪表分为 ADW600 系列智能网关和 ADW600 多回路计量模块,主要用于计量低压网络的三相有功电 能,具有体积小、安装简便、功能丰富等优点。产品采用模块化设计,包括网关主体、电压模块、电流模块、开 关量模块、测温漏电模块等,模块间采用网线连接,可支持多回路拼接使用。适用于低压侧多回路计量场景,尤 其是电力改造需求。








三 . 总结语
在能源管理精细化、智能化需求日益凸显的背景下,传统单回路电能表已难以胜任多回路、多参数的复杂计量场景。安科瑞ADW600系列多模块多回路电能表支持按回路、按区域、按负载类型的分层数据统计与分析,为用户提供三级能源管理视角,同时具备回路级故障诊断与报警功能,可实时监测各回路的过流、过压、失压、断相、接线错误等异常情况,并通过 RS485、LoRa、NB-IoT 、WiFi等通讯方式将故障信息上传至管理平台,明确标注故障回路编号与故障类型,广泛用于商业建筑(如购物中心、写字楼、酒店)、工厂、电子厂房、化工企业、数据中心等场景,为用户提供回路级、区域级、负载类型级的多维度能源视角,是推进能源数字化管理的理想解决方案。
上一篇:没有了